2021年,“两个一百年”奋斗目标历史交汇,同时也是“十四五”的开局之年,两会期间,习近平总书记多次强调“高质量发展”,意义重大,在国务院总理李克强作政府工作报告时也表示考虑预期目标及经济运行恢复情况下,有利于引导各方面集中精力推进改革创新、推动高质量发展。
best365中国官方网站根据行业“十四五”高质量发展需求,结合行业实际,近期首先针对浙江省各建材市场销售的建筑内墙装饰涂料进行随机综合采样,并委托国家化学建材质量监管检验中心浙江方圆检测集团股份有限公司进行全流程取样、检测。
检测依据:GB/T 9756—2018《合成树脂乳液内墙涂料》、GB 18582—2020《建筑用墙面涂料中有害物质限量》。
市场抽检规则:按市场随机购买、盲抽原则,并根据产品包装标识“优等品”“一等品”“合格品”进行分类及对标检测,但并不代表该品牌仅生产被抽等级产品。
市场抽检样品量:本批次抽检产品为水性建筑内墙装饰涂料面漆产品,市面品牌共计38个,样品数共计76个(每个品牌产品2桶)。其中,按产品包装上标识优等品样品数量12个,涉及品牌6个,一等品样品数量8个,涉及品牌4个,合格品样品数量56个,涉及品牌28个。
根据GB/T 9756—2018《合成树脂乳液内墙涂料》规定,建筑内墙用面漆产品分为合格品、一等品、优等品,其产品差异主要在于对比率和耐洗刷性两项;根据GB 18582—2020《建筑用墙面涂料中有害物质限量》要求,测试各内墙面漆产品有害物质含量指标。通过对市场内墙面漆产品质量及有害物质限量、单价等信息的数据收集,为消费者提供购买参考。内墙涂料国标中各指标具体要求如表1、表2所示。
表1 GB/T 9756—2018《合成树脂乳液内墙涂料》面漆要求

表2 GB 18582—2020《建筑用墙面涂料中有害物质限量》

注:根据GB/T 9756—2018、GB 18582—2020规定,实测低温成膜性、对比率(白色和浅色)、耐碱性(24 h)、耐洗刷性、VOC含量、甲醛含量、苯系物总和含量、总铅含量、可溶性重金属含量(Cd、Cr、Hg)、烷基酚聚氧乙烯醚总和含量(APEO),其中对比率按实际数值出具,其他项目按标准限值达标测试,不做超标准要求测试。
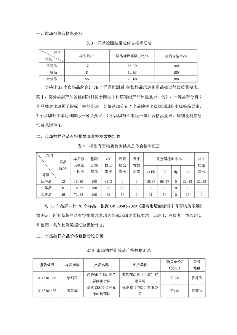
一、市场抽检合格率分析
表3 样品检测结果总体合格率汇总

对共计38个市场品牌合计76个样品检测后,抽检样品均达到商品标识等级质量要求。其中,部分品牌产品各检测项目优于国标中相应等级产品质量要求,例如,一等品部分有2个品牌对比率优于国标一等品要求,合格品部分有4个品牌对比率达到国标中优等品要求,7个品牌对比率达到国标一等品要求,7个品牌对比率优于国标合格品要求。详细检测信息汇总见附件1。
二、市场抽样产品有害物质限量检测数据汇总
表4 样品有害物质检测结果总体合格率汇总

对38个品牌共计76个样品,根据GB 18582—2020《建筑用墙面涂料中有害物质限量》检测后,所有品牌产品有害物质含量均达到或远超过国标要求,见表4,消费者可放心购买和使用。具体检测数据汇总见附件2。
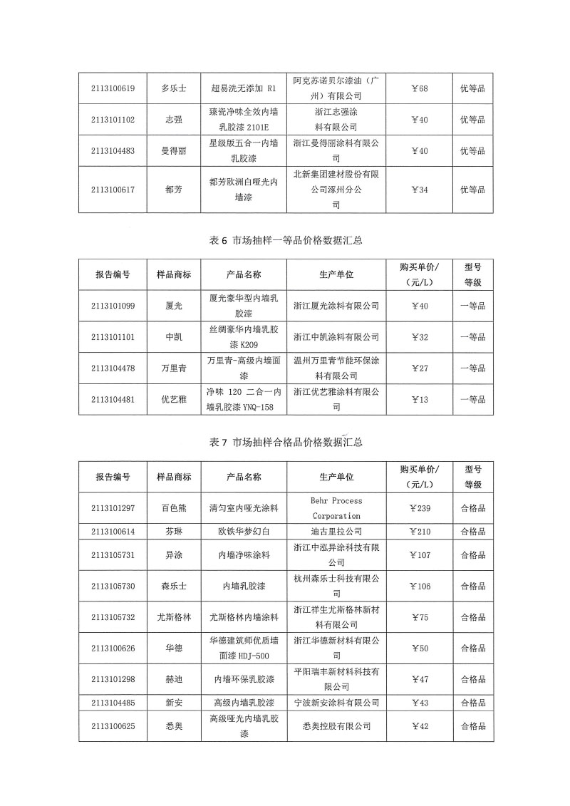
三、市场抽样产品价格数据对比分析
表5 市场抽样优等品价格数据汇总

表6 市场抽样一等品价格数据汇总

表7 市场抽样合格品价格数据汇总

根据本次市场随机抽检原则,市场随机购买并开据发票,按实际市场价格进行产品对比分析。由于各品牌包装规格差异,为便于数据统计,统一以升为单位,部分样品包装标识为千克的,以1.2 kg/L为密度系数进行换算。
据表5、表6、表7数据综合分析,产品单价受品牌知名度、产品宣传影响更大,纯进口产品的市场溢价更多,优等品、一等品、合格品价格指数总体趋势呈正相关。以上市场价格定位与国内市场消费者理念密切相关,多数消费者更青睐纯进口产品或者部分过渡宣传产品,其产品等级、质量档次与国内同等级产品几乎无异,因此,建议消费者根据实际需求购买符合相应国标等级的产品。
best365中国官方网站
2022年1月12日
附件1
市场抽检内墙面漆样品质量检测信息汇总

注:表格中标绿部分为优于国标对应标准值。
附件2
市场抽检内墙面漆样品有害物质检测信息汇总

注:ND为未检出。









